Будущее реально уже сегодня!
Теплый дом, свежий воздух и минимум забот.
Снижение расходов на отопление минимум в 3 раза.
Наши ноу-хау воплощают это в жизнь.
Мы развернем Вашу жизнь к лучшему!

Пластинчатые воздушные рекуператоры тепла Chandelle

Наша ценовая политика придерживается девиза "Мы развернем Вашу жизнь к лучшему". Поэтому порядок цены наших решений, Вас приятно удивит.(от 650грн) Наша компания - разработчик, производитель и продавец воздушных рекуператоров тепла для бытового применения. Мы имеем уникальный опыт и наработки в данной области. Мы занимаемся вопросами энергосбережения и сбора солнечной энергии более 17 лет. Наша база высокотехнологичного оборудования и опытных специалистов-инженеров позволяет идти в ногу с прогрессом и предоставлять нашему заказчику только лучшие продукты.

На данный момент мы можем предложить следующие модели рекуператоров: С-1-100(блок рекуператора с 1 теплообменником высотой 100мм. КПД 50%), С-1-200(блок рекуператора с 1 теплообменником высотой 200мм. КПД 50%), С-2-100(блок рекуператора с 2 теплообменниками высотой 100мм. КПД 82%), С-2-200(блок рекуператора с 2 теплообменником высотой 200мм. КПД 82%), F-1-200(блок рекуператора с 1 теплообменником высотой 200мм. КПД 50% с креплением под рамку), блок вентилятора с фильтром на 59-308куб.м. , блок вентилятора с фильтром 100-550куб.м., блок управления системой вентиляции с рекуперацией.

Рекуператор "C-1-200".

 

Описание продукта

Воздушный рекуператор тепла «C-1-200».

Вентиляционный рекуператорный прибор с одним перекрестным пластинчатым теплообменником. Такая компоновка позволяет добиться реального КПД 50%. Т.е. потери тепла на вентиляцию с этим прибором могут быть снижены на 50%.

Функция товара

Экономия энергии. Сохранение тепла. Очистка, циркуляция воздуха. Повышение температуры и комфортности помещений.

Спецификация продукции / Модели

Воздушный рекуператор тепла использует высокопроизводительные физические принципы, эффективность которых превышает 65%.

Теплообменники из высокоэффективного и качественного алюминия. Толщина пластин 0.28мм. Расстояние между пластинами 3мм. Габариты теплообменников 210*210*200мм.

Габаритные размеры корпуса из оцинкованной стали толщиной 0.5мм 330*330*216 мм

Диаметр фланцев для воздуха 120мм.

Слив диаметром 0.5 дюйма под стандартную водопроводную резьбу.

Гарантированная способность теплосберегания рекуператор может провести через себя более 16 кВт. тепла. И сберечь в помещении половину. Что эквивалентно нагреву до комфортной температуры помещения площадью до 80 м2
Низкая стоимость Самымй дешевый вариант на рынке в своем классе.
Низкие текущие эксплуатационные расходы нет платы за тепло.
Срок эксплуатации более 10 лет

 Применение

Сберегание тепла жилых помещений, домов, офисов, кафе, предприятий. Прибор может быть применен для рекуперации вентилируемого помещения площадью до 250 м2

Другая информация

 В корпусе предусмотрен сбор конденсата и отвод его наружу при помощи слива. Корпус изнутри покрыт шумо-, вибро-, теплоизоляцией, минимизирующей выпадение конденсата на корпусе прибора. Это также уменьшает динамические шумы от прохождения воздуха, что важно в жилых помещениях. Поток воздуха направляется в соответствии с аэродинамическими принципами, которые заставляют воздух максимально прогреться, на пути прохождения через рекуператор. Теплообменники из алюминия с новыми конструктивными решениями, позволившими более компактную сборку, как самого теплообменника, так и корпуса к нему. Теплообменники могут быть вынуты и помыты любыми бытовыми моющими средствами. В этом корпусе не предусмотрены места под фильтры и вентиляторы. Он может использоваться как самостоятельно, так и как "сердце" вентиляционно-рекуперативной установки с фильтрацией воздуха, в которой предусмотрены места под фильтры и вентиляторы.

Простота и удобство установки, гибкость работы и контроля.

Также на базе этой модели рекуператора могут строиться масштабируемые системы на большую площадь помещения или большие потоки воздуха. Для этого достаточно поставить один корпус рядом с другим и соединить рукава и вот уже построен рекуператор на площадь до 500 м2, с КПД до 50%. И так далее.

Оплата

Согласно счета.

Доставка

20 дней

Гарантия 1 год

Цена

3500 гривен

 

корпус с теплообменником


Рекуператор "C-2-100".

 

Описание продукта

Воздушный рекуператор тепла «C-2-100».

Вентиляционный рекуператорный прибор с двумя перекрестными пластинчатыми теплообменникоми. Такая компоновка позволяет добиться реального КПД 82%. Т.е. потери тепла на вентиляцию с этим прибором могут быть снижены на 82%.

Функция товара

Экономия энергии. Сохранение тепла. Очистка, циркуляция воздуха. Повышение температуры и комфортности помещений.

Спецификация продукции / Модели

Воздушный рекуператор тепла использует высокопроизводительные физические принципы, эффективность которых превышает 65%.

Теплообменники из высокоэффективного и качественного алюминия. Толщина пластин 0.28мм. Расстояние между пластинами 3мм. Габариты теплообменников 210*210*100мм.

Габаритные размеры корпуса из оцинкованной стали толщиной 0.5мм 330*610*116 мм

Диаметр фланцев для воздуха 100мм.

Слив диаметром 0.5 дюйма под стандартную водопроводную резьбу.

Гарантированная способность теплосберегания рекуператор может провести через себя более 8 кВт. тепла. И сберечь в помещении 6,6. Что эквивалентно нагреву до комфортной температуры помещения площадью до 65 м2
Низкая стоимость Самымй дешевый вариант на рынке в своем классе.
Низкие текущие эксплуатационные расходы нет платы за тепло.
Срок эксплуатации более 10 лет

 Применение

Сберегание тепла жилых помещений, домов, офисов, кафе, предприятий. Прибор может быть применен для рекуперации вентилируемого помещения площадью до 130 м2

Другая информация

 В корпусе предусмотрен сбор конденсата и отвод его наружу при помощи слива. Корпус изнутри покрыт шумо-, вибро-, теплоизоляцией, минимизирующей выпадение конденсата на корпусе прибора. Это также уменьшает динамические шумы от прохождения воздуха, что важно в жилых помещениях. Поток воздуха направляется в соответствии с аэродинамическими принципами, которые заставляют воздух максимально прогреться, на пути прохождения через рекуператор. Теплообменники из алюминия с новыми конструктивными решениями, позволившими более компактную сборку, как самого теплообменника, так и корпуса к нему. Теплообменники могут быть вынуты и помыты любыми бытовыми моющими средствами. В этом корпусе не предусмотрены места под фильтры и вентиляторы. Он может использоваться как самостоятельно, так и как "сердце" вентиляционно-рекуперативной установки с фильтрацией воздуха, в которой предусмотрены места под фильтры и вентиляторы.

Простота и удобство установки, гибкость работы и контроля.

Также на базе этой модели рекуператора могут строиться масштабируемые системы на большую площадь помещения или большие потоки воздуха. Для этого достаточно поставить один корпус рядом с другим и соединить рукава и вот уже построен рекуператор на площадь до 250 м2, с КПД до 82%. И так далее.

Оплата

Согласно счета.

Доставка

20 дней

Гарантия 1 год

Цена

3500 гривен

 

Рекуператор "C-2-200". Хит продаж!

 

Описание продукта

Воздушный рекуператор тепла «C-2-200».

Вентиляционный рекуператорный прибор с двумя перекрестными пластинчатыми теплообменниками. Такая компоновка позволяет добиться реального КПД 82%. Т.е. потери тепла на вентиляцию с этим прибором могут быть снижены на 82%

Функция товара

Экономия энергии. Сохранение тепла. Очистка, циркуляция воздуха. Повышение температуры и комфортности помещений.

Спецификация продукта / модели

Воздушный рекуператор тепла использует высокопроизводительные физические принципы, эффективность которых превышает 90%.

Теплообменники из высокоэффективного и качественного алюминия. Толщина пластин 0.28мм. Расстояние между пластинами 3мм. Габариты теплообменников 210*210*200мм.

Габаритные размеры корпуса из оцинкованной стали толщиной 0.5мм  620*330*216 мм

Диаметр фланцев для воздуха 125мм. Опция 150мм.

Слив диаметром 0.5 дюйма под стандартную водопроводную резьбу.

Гарантированная способность теплосберегания рекуператор может провести через себя более 16 кВт. тепла. И сберечь в помещении до 13.2 кВт. тепла.Что эквивалентно нагреву до комфортной температуры помещения площадью до 132 м2
Низкая стоимость Самымй дешевый вариант на рынке в своем классе.
Низкие эксплуатационные расходы нет платы за тепло.
Срок эксплуатации более 10 лет

 Применение

Сберегание тепла жилых помещений, домов, офисов, кафе, предприятий. Прибор может быть применен для рекуперации вентилируемого помещения площадью до 250 м2

Другая информация

В корпусе предусмотрен сбор конденсата и отвод его наружу при помощи слива.  Корпус изнутри покрыт шумо-, вибро-, теплоизоляцией, минимизирующей выпадение конденсата на корпусе прибора. Это также уменьшает динамические шумы от прохождения воздуха, что важно в жилых помещениях. Поток воздуха направляется в соответствии с аэродинамическими принципами, которые заставляют воздух максимально прогреться, на пути прохождения через рекуператор. Теплообменники из алюминия  с новыми конструктивными решениями, позволившими более компактную сборку, как самого теплообменника, так и корпуса к нему. Теплообменники могут быть вынуты и помыты любыми бытовыми моющими средствами. В этом корпусе не предусмотрены места под фильтры и вентиляторы. Он может использоваться как самостоятельно, так и как "сердце" вентиляционно-рекуперативной установки с фильтрацией воздуха, в которой предусмотрены места под фильтры и вентиляторы.

Простота и удобство установки, гибкость работы и контроля.

Также на базе этой модели рекуператора могут строиться масштабируемые системы на большую площадь помещения или большие потоки воздуха. Для этого достаточно поставить один корпус рядом с другим и соединить рукава и вот уже построен рекуператор на площадь до 500 м2, и 1000 м3 с КПД до 82%. И так далее.

Оплата

Согласно счета.

Доставка

20 дней

Гарантия 1 год

Цена

5400 гривен

 

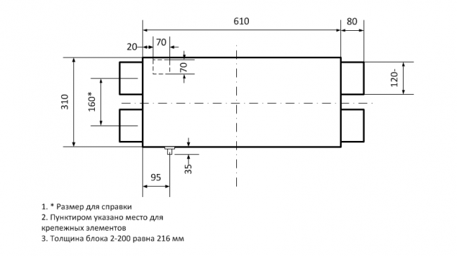
Рекуператор "C-2-200" с двумя теплообменниками

Корпус с двуми теплообменниками. Вид сбоку. Крышка открыта и хорошо виден теплообменник. Это наша очень популярная модель.

Рекуператор фланцевый пластинчатый 2-200 габариты и установка.

Рекуператор "C-2-300". Новинка

 

Описание продукта

Воздушный рекуператор тепла «C-2-300».

Вентиляционный рекуператорный прибор с двумя перекрестными пластинчатыми теплообменниками. Такая компоновка позволяет добиться реального КПД 82%. Т.е. потери тепла на вентиляцию с этим прибором могут быть снижены на 82%

Функция товара

Экономия энергии. Сохранение тепла. Очистка, циркуляция воздуха. Повышение температуры и комфортности помещений.

Спецификация продукта / модели

Воздушный рекуператор тепла использует высокопроизводительные физические принципы, эффективность которых превышает 90%.

Теплообменники из высокоэффективного и качественного алюминия. Толщина пластин 0.30мм. Расстояние между пластинами 3мм. Габариты теплообменников 300*300*200мм.

Габаритные размеры корпуса из оцинкованной стали толщиной 0.7мм  820*420*216 мм

Диаметр фланцев для воздуха 200мм.

Слив диаметром 0.5 дюйма под стандартную водопроводную резьбу.

Гарантированная способность теплосберегания рекуператор может провести через себя более 32 кВт. тепла. И сберечь в помещении до 29.7 кВт. тепла.Что эквивалентно нагреву до комфортной температуры помещения площадью до 300 м2
Низкая стоимость Самымй дешевый вариант на рынке в своем классе.
Низкие эксплуатационные расходы нет платы за тепло.
Срок эксплуатации более 10 лет

 Применение

Сберегание тепла жилых помещений, домов, офисов, кафе, предприятий. Прибор может быть применен для рекуперации вентилируемого помещения площадью до 400 м2

Другая информация

В корпусе предусмотрен сбор конденсата и отвод его наружу при помощи слива.  Корпус изнутри покрыт шумо-, вибро-, теплоизоляцией, минимизирующей выпадение конденсата на корпусе прибора. Это также уменьшает динамические шумы от прохождения воздуха, что важно в жилых помещениях. Поток воздуха направляется в соответствии с аэродинамическими принципами, которые заставляют воздух максимально прогреться, на пути прохождения через рекуператор. Теплообменники из алюминия  с новыми конструктивными решениями, позволившими более компактную сборку, как самого теплообменника, так и корпуса к нему. Теплообменники могут быть вынуты и помыты любыми бытовыми моющими средствами. В этом корпусе не предусмотрены места под фильтры и вентиляторы. Он может использоваться как самостоятельно, так и как "сердце" вентиляционно-рекуперативной установки с фильтрацией воздуха, в которой предусмотрены места под фильтры и вентиляторы.

Простота и удобство установки, гибкость работы и контроля.

Также на базе этой модели рекуператора могут строиться масштабируемые системы на большую площадь помещения или большие потоки воздуха. Для этого достаточно поставить один корпус рядом с другим и соединить рукава и вот уже построен рекуператор на площадь до 2000 м2, и 3000 м3 с КПД до 82%. И так далее.

Оплата

Согласно счета.

Доставка

20 дней

Гарантия 1 год

Цена

10650 гривен

 

Рекуператор "C-2-200" и "C-2-300" с двумя теплообменниками

Пластинчатый рекуператор воздух воздух кпд 82% 800куб.м./ч

Блок управления системой вентиляции с рекуперацией "Chandelle 1" Цена 530грн.

Мы предлагаем блок управления системой вентиляции с рекуперацией "Chandelle 1". Блок разработаны на базе приятной и лаконичной электрофурнитуры от Schneider electric. Красивое и простое решение пульта будет уместно в любом помещении. С помощью блока управления вентиляцией с рекуперацией "Chandelle 1" Вы сможете не только включить или выключить вентиляцию, но и определить требуемый уровень мощности вентиляции в зависимости от Вашего желания. Стоимость блока управления вентиляции с рекуперацией "Chandelle 1" 630 гривен.
Блок управления вентиляции с рекуперацией "Chandelle"

Блок управления системой вентиляции с рекуперацией "Chandelle 2" Цена 1000грн.

Мы предлагаем блоки управления системой вентиляции с рекуперацией "Chandelle 2". Блоки разработаны на базе приятной и лаконичной электрофурнитуры от Schneider electric. Красивое и простое решение пульта будет уместно в любом помещении. С помощью блока управления вентиляцией с рекуперацией "Chandelle 2" Вы сможете не только включить или выключить вентиляцию и установить требуемый уровень мощности вентиляции в зависимости от Вашего желания, но и управлять термостатом догревателя. Стоимость блока управления вентиляции с рекуперацией "Chandelle 2" хххх гривен. Нет в наличии.

Базовая схема установки ПВВ Chandelle с рекуперацией тепла

Базовая схема установки. Приточно-вытяжная вентиляционная установка изображена без догревателя на входе воздуха с улицы. Также глушитель звука может, как присутствовать, так и отсутствовать. Как догреватели рекомендуется использовать блоки производителя http://www.dvkf.com.ua/electrocaloriferi.html Глушители изготавливаются нашей компанией по индивидуальному заказу. Рекомендуется решать вопрос с установкой глушителей после монтажа системы и аудио-прослушивания ее. Или после нескольких дней ее использования. Тогда решение будет более объективно.
Солнечные воздушные коллекторы
Что мы предлагаем и как мы работаем
Обратная связь
Контакты




Опрос